
Från Deutz Dalian har vi byggt från 85 HK, 100 HK samt 120 HK, den största med turbo och intercooler.
NISSAN QD 32 motor på 130 HK men turbo och intercooler är fn vår största motor.
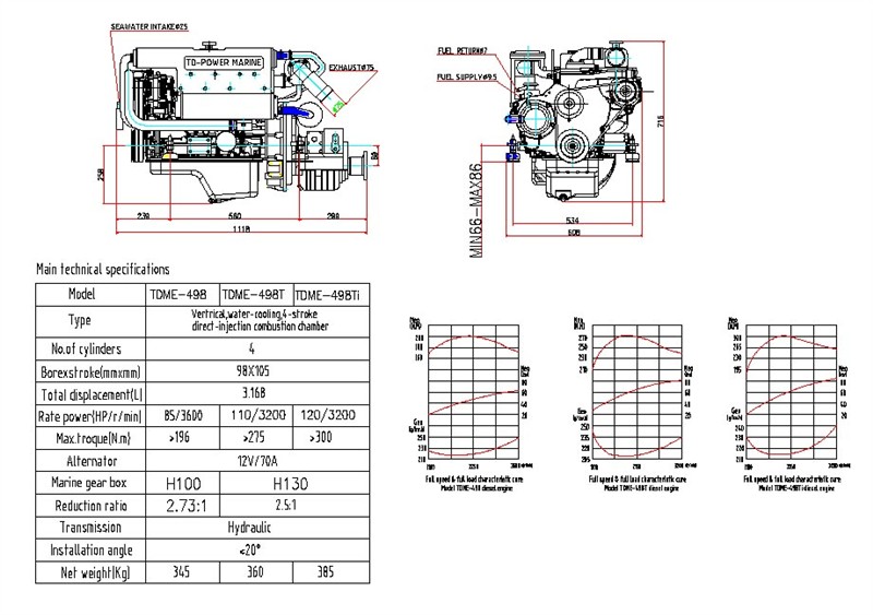
Alla motorerna utrustas med hydrauliska backslag från BAYSAN.
LÅGVIKTS MOTOR; endast 340/350 kg, Detta är ett mycket väl beprövat motorblock.
DEUTZ(Dalian) Engine Co., Limited was co-invested by DEUTZ AG (the founder of diesel engines in the world) in Germany and FAW (the leading company of China auto industry) in China

Klicka nedan för specificationer, priser och måttskisser:
TDME-498 TDME 498T (I) QD32T (I)




